Låsebolte og møtrikker

 

Vognmærkeoversigt klik HER     Oversigt dimensioner klik HER

 

Ingen produkter fundet.

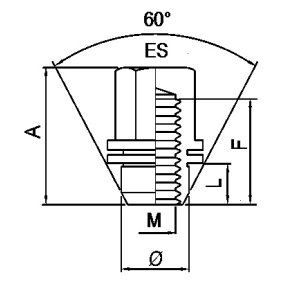
Unikke låsebolte og låsemøtrikker der for hvert sæt har en unik nøgle, så de ikke kan skrues af uden denne. Sikrer mod tyveri af hjul og fælge. Locky låsebolte og møtrikker bliver produceret i Italien, og er i en meget solid og god kvalitet.