Beskrivelse
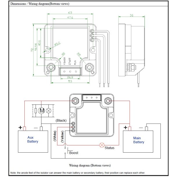
Elektronisk Skillerelæ 12V 160A
Volt 12, Max strømstyrke Amp 160A/5 MIN, Aktuel/kont. A 140, Dimension mm 67x67x54, Antal batterier 2
Bemærkning Microprocessorstyret relæ. Åbner for ladning af sekundært batteri, når ladespændingen når 13.3 V og lukker ved 12.8 V.
Find yderligere inspiration i nedenstående brochure:

Tekniske data
| Referencetal | 161059 |